Работа вам нужна срочно. Не волнуйтесь, уложимся!
- 22423 авторов готовы помочь тебе.
- 2402 онлайн
двутавровая консольная балка, нагруженная на свободном конце вертикальной силой P. Определите наименьший из двух запасов прочности, Длина балки L = 2000 мм Вертикальная сила P = 10 000 Н Допускаемые нормальные напряжения 250 МПа Допускаемые касательные напряжения 130 МПа

Предмет: Механика материалов
Раздел: Прочность материалов, расчет напряжений в балках
Двутавровая балка длиной L = 2000 \text{ мм} нагружена на свободном конце вертикальной силой P = 10000 \text{ Н} .
Необходимо определить наименьший из двух запасов прочности по нормальным и касательным напряжениям.
Допускаемые напряжения:
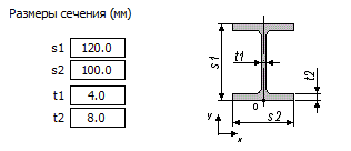
Размеры сечения (мм):
s_1 = 120, \quad s_2 = 100, \quad t_1 = 4, \quad t_2 = 8
Поскольку балка консольная и нагрузка приложена на свободном конце, изгибающий момент в сечении на расстоянии x от закрепления:
M(x) = P \cdot (L - x)
В сечении у закрепления (где максимальный момент):
M_{\max} = P \cdot L = 10000 \times 2000 = 20\,000\,000 \text{ Н·мм} = 20\,000 \text{ Н·м}
Поперечная сила:
Q = P = 10000 \text{ Н}
Двутавровое сечение состоит из двух полок и стенки. Рассчитаем площадь каждой части:
Верхняя полка:
A_1 = s_1 \times t_1 = 120 \times 4 = 480 \text{ мм}^2
Нижняя полка:
A_2 = s_2 \times t_1 = 100 \times 4 = 400 \text{ мм}^2
Стенка:
A_w = (s_1 - 2 t_1) \times t_2 = (120 - 2 \times 4) \times 8 = 112 \times 8 = 896 \text{ мм}^2
Выберем ось Y вдоль высоты сечения, начнем с нижнего края.
Высота сечения:
h = s_1 = 120 \text{ мм}
Рассчитаем момент площадей относительно нижнего края:
Центр масс верхней полки:
y_1 = h - \frac{t_1}{2} = 120 - 2 = 118 \text{ мм}
Центр масс нижней полки:
y_2 = \frac{t_1}{2} = 2 \text{ мм}
Центр масс стенки:
y_w = \frac{h}{2} = 60 \text{ мм}
Найдем координату центра тяжести всего сечения:
y_c = \frac{A_1 y_1 + A_2 y_2 + A_w y_w}{A_1 + A_2 + A_w} = \frac{480 \times 118 + 400 \times 2 + 896 \times 60}{480 + 400 + 896}
Вычислим числитель:
480 \times 118 = 56640
400 \times 2 = 800
896 \times 60 = 53760
Сумма: 56640 + 800 + 53760 = 111200
Сумма площадей:
480 + 400 + 896 = 1776 \text{ мм}^2
Тогда:
y_c = \frac{111200}{1776} \approx 62.6 \text{ мм}
Момент инерции относительно нейтральной оси:
I = \sum (I_i + A_i d_i^2)
где I_i — момент инерции отдельной части относительно своей оси, параллельной нейтральной, а d_i — расстояние от центра тяжести части до нейтральной оси.
I_{\text{прямоуг}} = \frac{b h^3}{12}
Для верхней полки:
b = t_1 = 4, \quad h = s_1 = 120
Но верхняя полка — это плоский прямоугольник толщиной 4 мм и шириной 120 мм, но высота полки — 4 мм (толщина), ширина — 120 мм (s1). Чтобы не путать, в двутавре:
Поэтому для верхней полки:
I_1 = \frac{s_1 t_1^3}{12} = \frac{120 \times 4^3}{12} = \frac{120 \times 64}{12} = 640 \text{ мм}^4
Расстояние от центра полки до нейтральной оси:
d_1 = y_1 - y_c = 118 - 62.6 = 55.4 \text{ мм}
Полка:
I_1' = I_1 + A_1 d_1^2 = 640 + 480 \times (55.4)^2 = 640 + 480 \times 3069.16 = 640 + 1\,473\,996 = 1\,474\,636 \text{ мм}^4
Для нижней полки:
b = s_2 = 100, \quad h = t_1 = 4
Момент инерции:
I_2 = \frac{100 \times 4^3}{12} = \frac{100 \times 64}{12} = 533.33 \text{ мм}^4
Расстояние от центра полки до нейтральной оси:
d_2 = y_c - y_2 = 62.6 - 2 = 60.6 \text{ мм}
Полка:
I_2' = I_2 + A_2 d_2^2 = 533.33 + 400 \times (60.6)^2 = 533.33 + 400 \times 3672.36 = 533.33 + 1\,468\,944 = 1\,469\,477 \text{ мм}^4
Для стенки:
b = t_2 = 8, \quad h = s_1 - 2 t_1 = 120 - 8 = 112
Момент инерции:
I_w = \frac{8 \times 112^3}{12} = \frac{8 \times 1\,404\,928}{12} = \frac{11\,239\,424}{12} = 936\,619 \text{ мм}^4
Расстояние от центра стенки до нейтральной оси:
d_w = |y_w - y_c| = |60 - 62.6| = 2.6 \text{ мм}
Стена:
I_w' = I_w + A_w d_w^2 = 936\,619 + 896 \times (2.6)^2 = 936\,619 + 896 \times 6.76 = 936\,619 + 6\,058 = 942\,677 \text{ мм}^4
I = I_1' + I_2' + I_w' = 1\,474\,636 + 1\,469\,477 + 942\,677 = 3\,886\,790 \text{ мм}^4
Максимальные нормальные напряжения возникают на самых удаленных волокнах от нейтральной оси:
Максимальное нормальное напряжение:
\sigma_{\max} = \frac{M_{\max} y_{\max}}{I} = \frac{20\,000\,000 \times 57.4}{3\,886\,790} \approx 295.7 \text{ МПа}
Минимальное нормальное напряжение (внизу):
\sigma_{\min} = \frac{M_{\max} y_{\min}}{I} = \frac{20\,000\,000 \times 62.6}{3\,886\,790} \approx 322.6 \text{ МПа}
Поскольку напряжения сжимающие и растягивающие, берем по модулю.
Касательные напряжения от поперечной силы рассчитываются по формуле:
\tau = \frac{Q S}{I t}
где
S — статический момент площади части сечения выше (или ниже) точки, где считаем напряжение, относительно нейтральной оси,
t — толщина сечения в точке, где считаем касательное напряжение.
Максимальное касательное напряжение будет в стенке (там минимальная толщина и максимальный статический момент).
Статический момент верхней части (полка + часть стенки):
Площадь верхней полки и часть стенки выше нейтральной оси:
A_{w,top} = t_2 \times h_w = 8 \times 57.4 = 459.2 \text{ мм}^2
Центр масс этой части стенки (считаем от нейтрали вверх):
y_{w,top} = \frac{h_w}{2} = 28.7 \text{ мм}
Статический момент верхней части:
S = A_1 (y_1 - y_c) + A_{w,top} y_{w,top} = 480 \times 55.4 + 459.2 \times 28.7 = 26\,592 + 13\,176 = 39\,768 \text{ мм}^3
Толщина стенки:
t = t_2 = 8 \text{ мм}
Касательное напряжение:
\tau_{\max} = \frac{Q S}{I t} = \frac{10\,000 \times 39\,768}{3\,886\,790 \times 8} = \frac{397\,680\,000}{31\,094\,320} \approx 12.8 \text{ МПа}
Запас прочности по нормальным напряжениям:
n_{\sigma} = \frac{\sigma_{\text{доп}}}{\sigma_{\max}} = \frac{250}{322.6} \approx 0.77
Запас прочности по касательным напряжениям:
n_{\tau} = \frac{\tau_{\text{доп}}}{\tau_{\max}} = \frac{130}{12.8} \approx 10.16
Наименьший запас прочности — по нормальным напряжениям:
\boxed{ n = 0.77 }
Это означает, что балка не выдержит заданную нагрузку с нормальными напряжениями (запас прочности меньше 1).
Если нужно, могу помочь с дополнительными расчетами или проверкой.